




24 кВт. Котел конденсаційний газовий Vaillant ecoTEC pure VUW 286/7-2 (H-INT IV) / до 240 м2
У компанії підключені електронні платежі. Тепер ви можете купити будь-який товар не покидаючи сайту.
ОФІЦІЙНИЙ ПАРТНЕР В УКРАЇНІ

Оплата частинами ПриватБанк, Monobank - до 6 платежів. Або БОНУС -3000грн. від вартості. Детальніше в менеджера.

Котел конденсаційний, газовий Vaillant ecoTEC pure VUW 286/7-2 (H-INT IV), із закритою камерою згорання. Теплова потужність: 24 кВт (опалення), ГВП: 28,6 кВт. Споживана потужність: 110 Вт. Розпалювання: Електронний (автоматичний). Матеріал теплообмінника: Нержавіюча сталь. ККД: 108%. Продуктивність ГВС (у разі Δ T 30 °C): 13.5 л/хв. Спосіб встановлення: Настінний. Країна-виробник: Словаччина.
Рекомендована площа обігріву: до 240 м2. Чудове рішення для квартири, житлових будинків, заміського будинку або офісного приміщення.
Особливості:
- Модулюючий пальник, діапазон потужності від 35% до 100%;
- Циркуляційний насос з частотним регулюванням (особливо актуально для теплих підлог);
- Шина eBus. Можливість застосування з водонагрівачами та сонячними системами;
- Можливість встановлення в житловій зоні;
- Вбудоване керування температурою гарячої води;
- Система "Гарячий старт". Гаряча вода через 3 с. після початку водорозбору;
- Можливість комбінації із сонячними системами та тепловими насосами;
- Можливість використання повітря для горіння як із приміщення, так і зовні.
- Можливість автономної роботи без додаткової автоматики або інтеграції в систему опалення через регулятор VRC 700.
Функціональна схема

Основний теплообмінник

Теплообмінник складається з декількох теплообмінних елементів (катушок) виготовлених із нержавіючої сталі завтовшки 0,8 мм.
Теплообмінник стійкіший до утворення накипу через турбулентність у потоці опалювальної води

Вторинний теплообмінник

Нерозбірна пластинчаста теплообмінник із нержавіючої сталі, SWEP (Швеція).
Використовуються теплообмінники з 12 пластинами
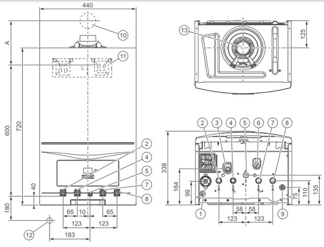
Розміри:

1 Трифон конденсату (під'єднання стопи конденсату 21,5 мм)
2 Під'єднання підіймальній лінії опалювальної системи, G 3/4
3 Під'єднання стічного трубопроводу запобіжного клапана опалення 15 мм
4 Під'єднання гарячої води, G 3/4
5 З'єднувальний патрубок газу, G 1/2
6 Наповнювальний кран
7 Під'єднання холодної води, G 3/4
8 Під'єднання зворотної лінії опалювальної системи, G 3/4
9 Зливний кран
10 Прохід через стіну системи підведення повітря й газовідведення A=см. монтажний шаблон (система димоходів
60/100 мм) A = 235 мм (система димоходів 80/125 мм) A = 220 мм (система димоходів 80/80 мм)
11 Тримач накопичувача
12 Під'єднання стічної лійки/сифона для конденсату R1
13 Під'єднання системи димоходів
ДОКУМЕНТАЦІЯ
Інструкція для Vaillant ecoTEC pure VUW 286/7-2 (H-INT IV)/ 0010023033, каталоги, брошури
| Vaillant ecoTEC pure VUW 286/7-2 (H-INT IV) - Посібник із монтажу |
| Основні | |
|---|---|
| Виробник | Vaillant |
| Країна виробник | Словаччина |
| Потужність номінальна | 28.5 кВт |
| Теплоносій | Вода |
| Вид пального | Газоподібний |
| Коефіцієнт корисної дії | 108 % |
| Призначення котла | Двуконтурний |
| Спосіб установки | Настінний |
| Тип топки | Закрита |
| Матеріал теплообмінника | Нержавіюча сталь |
| Кількість теплообмінників | 2 шт. |
| Спосіб відведення відпрацьованих газів | Турбо |
| Максимальна температура димових газів | 85 град. |
| Колір | Білий |
| Вага | 30.8 кг |
| Гарантійний термін | 36 міс |
| Тип котла за повнотою використання енергії палива | Конденсаційні |
| Стан | Новий |
| Опалення | |
| Мінімальний робочий тиск системи опалення | 1 бар |
| Максимальний робочий тиск системи опалення | 3 бар |
| Мінімальна температура в режимі опалення | 30 град. |
| Максимальна температура в режимі опалення | 80 град. |
| Об'єм розширювального бака | 8 л |
| Максимальний тиск розширювального бака | 3 бар |
| Гаряче водопостачання | |
| Продуктивність гарячої води | 13.5 л/хв |
| Мінімальний тиск в режимі ГВП | 1 бар |
| Максимальний тиск в режимі ГВП | 10 бар |
| Мінімальна температура в режимі ГВП | 35 град. |
| Максимальна температура в режимі ГВП | 65 град. |
| Електричні параметри | |
| Напруга мережі | 220~240 В |
| Частота | 50 Гц |
| Споживана потужність | 110 Вт |
| Габаритні і приєднувальні розміри | |
| Висота | 720 мм |
| Ширина | 440 мм |
| Глибина | 337 мм |
| Підключення газу | 1/2" |
| Вхід в систему опалення | 3/4" |
| Повернення з системи опалення | 3/4" |
| Вхід контуру ГВП | 3/4" |
| Вихід контуру ГВП | 3/4" |
| Додаткові характеристики | |
| Циркуляційний насос | Так |
| Дисплей | Так |
| Електронне запалювання | Так |
| Захист від замерзання | Так |
- Ціна: 60 500 ₴
- Спосіб упаковки: 1 шт. у коробці




